SERWIS 24/7 +48 74 668 18 46
Ankiety doboru
Typ zlecenia
Data zlecenia
Dane klienta
Imię*
Nazwisko*
Nazwa firmy*
Adres*
Telefon*
E-mail*
Typ klienta*
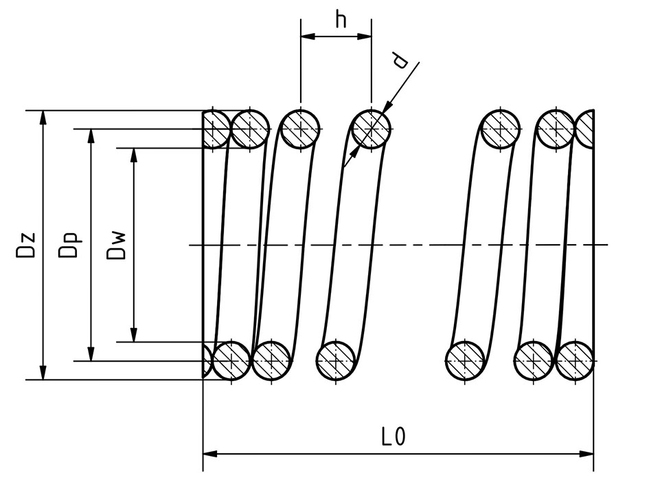
Schemat sprężyny naciskowej
Parametry sprężyny naciskowej
Średnica zewnętrzna
Średnica podziałowa
Średnica wewnętrzna
Długość sprężyny w stanie swobodnym (bez obciążenia)
Średnica drutu z którego sprężyna jest wykonana
Skok sprężyny naciskowej (wymagany 1 parametr)
Ilość zwojów całkowitych
Ilość zwojów czynnych
Z = Zc + 2 zwoje (na dogięcie)
Dodatkowy komentarz
WYMAGANE: Wyrażam zgodę na przetwarzanie przez TR Polska Sp. z o. o. moich danych osobowych. Podanie danych jest dobrowolne, ale niezbędne do przetworzenia zapytania zgodnie z Regulaminem. Zostałem poinformowany, że przysługuje mi prawo dostępu do swoich danych, możliwości ich poprawiania, żądania zaprzestania ich przetwarzania zgodnie z Polityką prywatności.
 Ankiety doboru online
 Ankiety doboru PDF
 Informacje dodatkowe